Bize e-posta gönderin

sdepochwater@hotmail.com

Ürünler
Sulama Suyu Sayacı
  • Sulama Suyu SayacıSulama Suyu Sayacı
  • Sulama Suyu SayacıSulama Suyu Sayacı

Sulama Suyu Sayacı

Kullanım: Boru hattından akan suyun toplam hacmini ölçmek için akış ölçüm cihazı.

Sağlanan koşullar:

▶Boyut:DN50~DN600

▶Malzeme:Dökme demir kabuk

▶Sıcaklık derecesi:T30,T50,T90

▶Basınç sınıfı:MAP16,MAP10

▶Basınç kaybı:△P63


Kurulum yöntemi:

1.Yatay kurulum.

2.Ek su filtresi gereklidir.

3. Su sayacının su girişi/çıkışı U10/D5 düz boru kesitine ihtiyaç duyar.


Özellikler:

1.Küçük iletim direnci, büyük akış kapasitesi, engelleme önleme ve güçlü kirlilik önleme yeteneği.

2.Yatay rotor, kuru, manyetik bağlantı tahriki.

3. Sayaç vakum sızdırmazlık, yoğuşma önleyici ve atomizasyon benimser ve okumayı uzun süre net tutabilir.

4. Kolay kurulum ve bakım için çıkarılabilir yapı benimsenmiştir

5. Ölçme mekanizması güçlü bir evrenselliğe sahiptir.

6. Müşterilerin ihtiyaçlarına göre uzaktan iletim ve iletim cihazı (çift kamışlı/salon iletimi) sağlanabilir.


Teknik parametre:

DN (mm) Akış menzil Ölçüm derecesi Maksimum akış Q4 Yaygın akış Q3 Sınır akışı Q2 Asgari akış Q1 Asgari okuma Maksimum okuma
3. Çeyrek/1. Çeyrek m3/saat
LXXG-50 2” R20 (R25) 25 31.25 5 1.25 0.002 999, 999
LXXG-65 2/2" 40 50 8 2 0.002 999, 999
LXXG-80 3” 63 78.75 12.6 3.15 0.002 999, 999
LXXG-100 4" 100 125 20 5 0.002 999, 999
LXXG-125 5" 160 200 32 8 0.002 999, 999
LXXG-150 6" 250 312.5 50 12.5 0.002 999, 999
LXXG-200 8” 400 500 80 20 0.002 999, 999
LXXG-250 10" 630 787.5 126 31.5 0.02 9, 999, 999

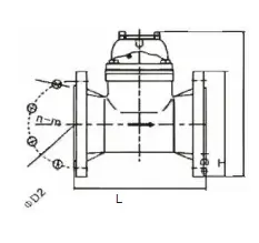
Genel boyut ve ağırlık:

Modeli DN Uzunluk Yükseklik Bağlantı flanşı
mm Flanş dış çap φD1 Sayısı bağlantı cıvataları D2 Sayısı bağlantı cıvataları
LXXG-50 2” 200 253 165 125 4*M16
LXXG-65 2V2" 200 268 185 145 4*M16
LXXG-80 3” 225 284 200 160 8*M16
LXXG-100 4" 250 295 220 180 8*M16
LXXG-125 5" 250 310 250 210 8*M16
LXXG-150 6" 300 339 285 240 8*M20
LXXG-200 8” 350 382 340 295 8*M20(1,0MPa) 12*M20(1,0MPa)
LXXG-250 10" 450 438 395 405
12*M20(1.0MPa) 12*M24(1.0MPa)

A. Düşük bir alanın izin verilen maksimum hatası (Q1≤Q

B.Su sıcaklığı≤30°C olduğunda, yüksek alanda izin verilen maksimum hata(Q2≤Q≤Q4)±%2 Su sıcaklığı>30°C olduğunda, yüksek alanda izin verilen maksimum hata(Q2≤Q≤Q4)±%3'tür






Sıcak Etiketler: Sulama Suyu Sayacı
Talep Gönder
İletişim bilgileri
Su sistemi projenizi bir sonraki seviyeye taşımaya hazır mısınız? Shandong Epoch Equipment Co., Ltd.'ye bir soruşturma gönderin ve ekibimizden kişiselleştirilmiş bir yanıt alın. Tüm su sistemi ihtiyaçlarınıza yardımcı olmak için buradayız. Güvenilir partneriniz olalım.
X
Size daha iyi bir gezinme deneyimi sunmak, site trafiğini analiz etmek ve içeriği kişiselleştirmek için çerezleri kullanıyoruz. Bu siteyi kullanarak çerez kullanımımızı kabul etmiş olursunuz. Gizlilik Politikası
Reddetmek Kabul etmek